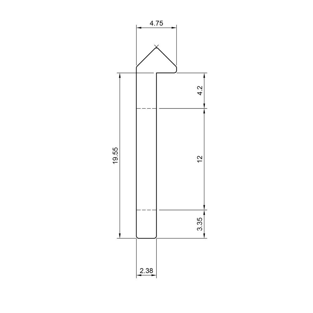
Aluminium extrusion offers a versatile platform for linear motion systems, but standard T-Slot profiles can present limitations. When using wheels with standard T-Slot extrusion, issues such as poor self-centering and accelerated wear from groove formation are common. MotionRail (OpenRail) addresses these challenges by adding an external ‘V’ groove to standard T-Slot extrusion. This modification allows for the effective use of MotionRail Wheels in aluminium extrusion applications. When combined with MotionRail gantry plates, the system supports the construction of various machine types, including 3D printers, CNC machines, and camera sliders.
Compatibility
MotionRail has a versatile design that ensures compatibility with any T-Slot extrusion featuring a 6mm wide slot and a slot centerline that is 10mm from the edge of the extrusion. This includes but is not limited to brands such as MK, Bosch, Misumi Series 5, OpenBeam, and MakerBeam. For 20mm wide extrusions, a double-stacked configuration is necessary to form the external ‘V’ groove on each side.
| Configuration | Drawing | Parts Required |
|---|---|---|
| Single Stacked |
|
Fixings are at 50mm spacing. |
| Double Stacked |
|
Fixings are at 50mm spacing. |








Reviews
There are no reviews yet.