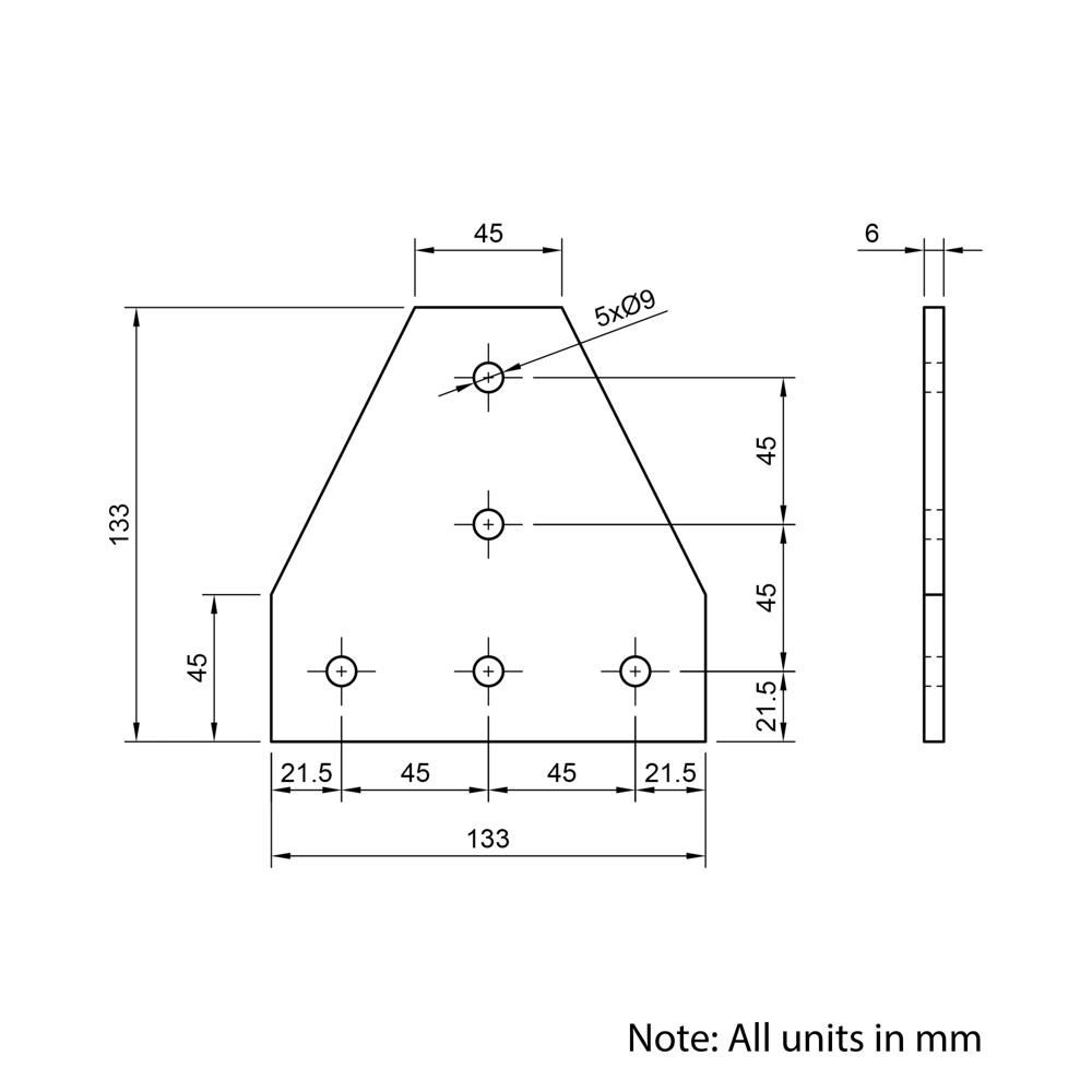
Aluminium Single Slot 45 Series T Plate Connectors provide a strong, stable, and aesthetically refined solution for creating secure T joints in aluminium extrusion assemblies. Designed for high shear, moment, and torsional resistance depending on configuration, these connectors offer high structural integrity of frameworks without requiring any machining. These brackets are ideal for machine enclosures, industrial workstations, and other demanding structural applications.
Pros and Cons
Plate Connectors for adjustable and strong aluminium extrusion assemblies.
| Pros | Cons |
|---|---|
|
|
Application
Plate Connectors are designed for use with 45 Series T-Slot Aluminium Extrusions to create strong and stable T connections. These plates offer excellent shear, moment, and torsional resistance, making them suitable for high-strength structural frameworks, machine enclosures, and modular assemblies. Their adaptability ensures a reliable connection in various configurations while maintaining ease of assembly and long-term durability. Unlike other corner brackets, they leave the internal extrusion slots completely clear, allowing for unrestricted mounting of panels, accessories, or additional structural components.






Reviews
There are no reviews yet.