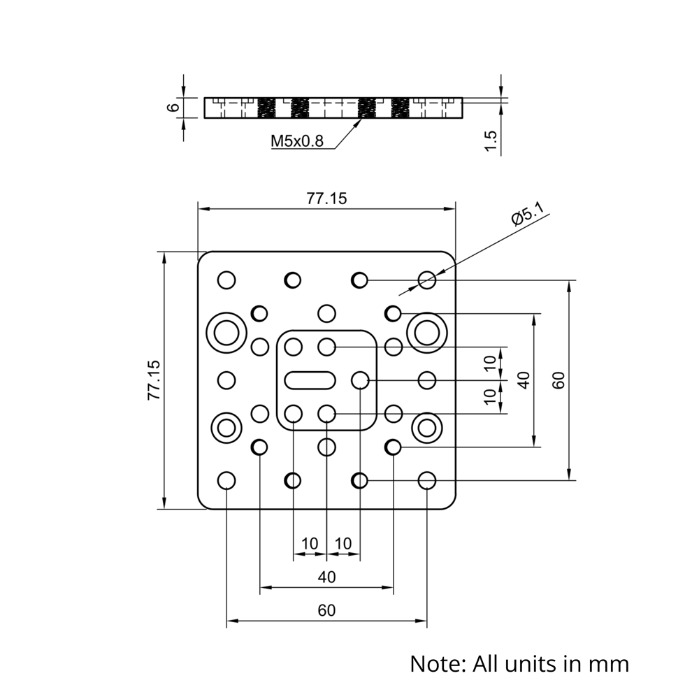
Medium C-Beam Gantry Plate (77.5×77.5mm) is a compact and durable platform for building smooth, precise linear motion systems using C-Beam Aluminium Extrusions (40x80mm). Made from high-strength aluminium and finished with a black anodised coating, this plate accepts Mini V-Slot Wheels and rides along the internal slots of the C-Beam profile. This internal configuration keeps the outer slots of the extrusion free for mounting other components or accessories.
Holes on one side are designed to accept eccentric spacers, enabling preloading of the wheels for tight, wobble-free tracking. With additional hardware, it can be adapted for lead screw-driven motion. Multiple mounting holes allow for flexible attachment of tools, motors, brackets, or custom components.
Key Features
- Mini V-Slot Wheel Compatible: Designed to accept Mini V-Slot Wheels for smooth, accurate linear motion.
- Eccentric Spacer Support: Holes on one side accept eccentric spacers for adjustable wheel preloading.
- Compatibility: Runs inside 40x80mm (C-Beam) extrusion, leaving outer slots free for mounting accessories.
- Mounting Flexibility: Features a range of mounting holes to support motors, brackets, and custom components.
Application
C-Beam Gantry Plates are ideal for creating moving platforms in CNC machines, 3D printers, linear actuators, laser cutters, and other linear motion assemblies. Using lead screws this plate provides a stable, adjustable, and precise base. It is a flexible and reliable choice for a wide range of mechanical projects.











Reviews
There are no reviews yet.