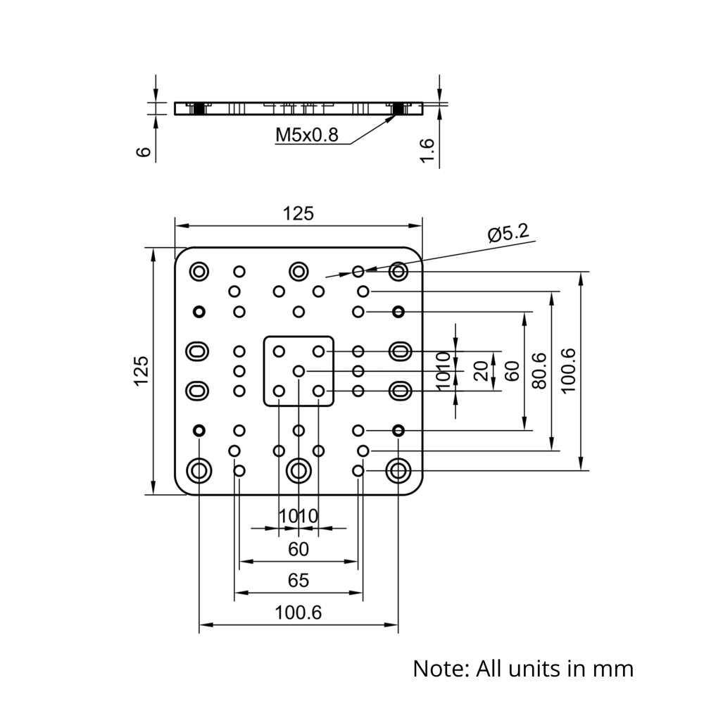
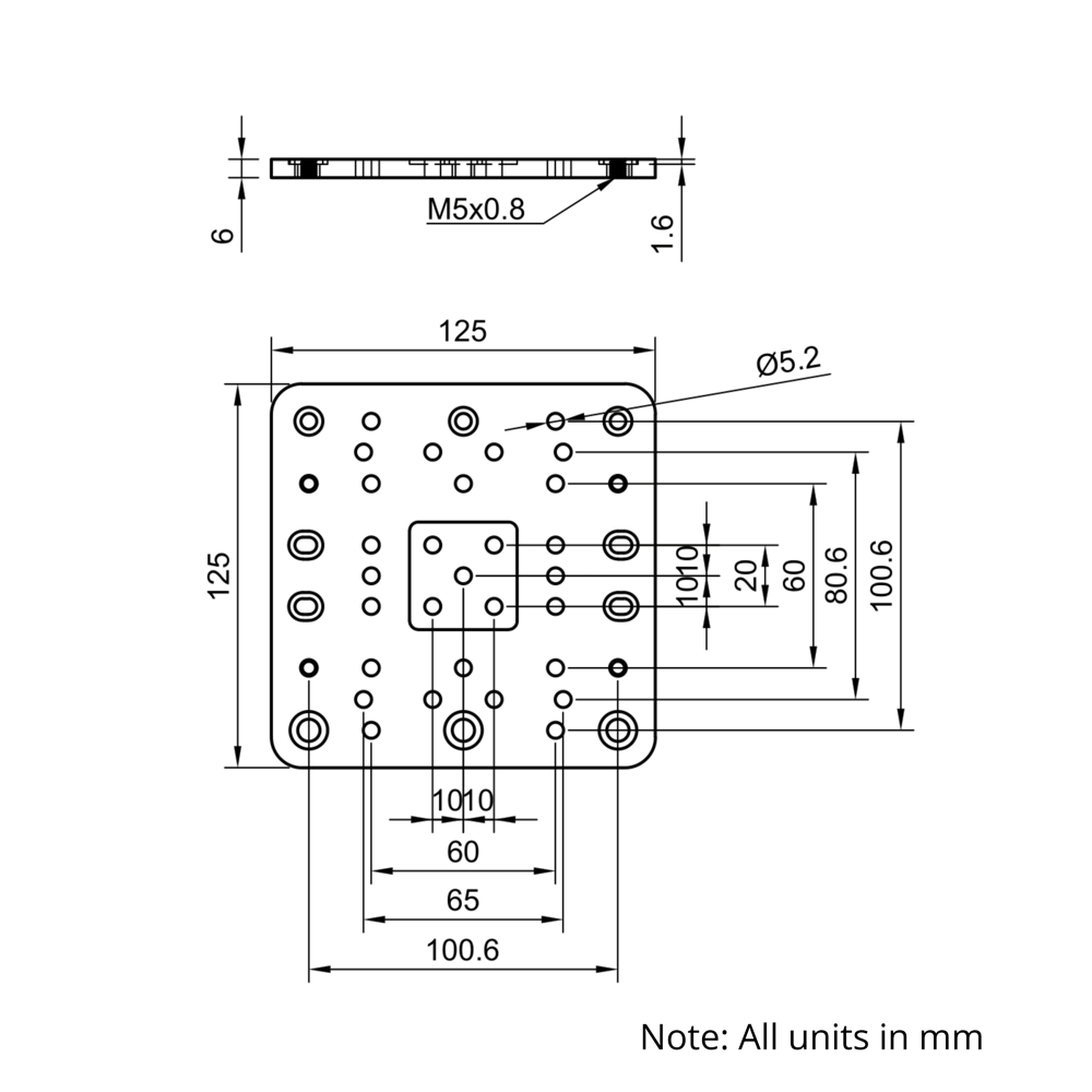
Extra Large C-Beam Gantry Plate (125x125mm) (77.5×77.5mm) is a compact and durable platform for building smooth, precise linear motion systems using C-Beam Aluminium Extrusions (40x80mm). Made from high-strength aluminium and finished with a black anodised coating, this plate accepts V-Slot Wheels and rides along the external slots of the C-Beam profile.
Holes on one side are designed to accept eccentric spacers, enabling preloading of the wheels for tight, wobble-free tracking. With additional hardware, it can be adapted for lead screw-driven motion. Multiple mounting holes allow for flexible attachment of tools, motors, brackets, or custom components.
Key Features
- V-Slot Wheel Compatible: Designed to accept V-Slot Wheels for smooth, accurate linear motion.
- Eccentric Spacer Support: Holes on one side accept eccentric spacers for adjustable wheel preloading.
- Compatibility: Runs on the outside of 40x80mm (C-Beam) extrusion.
- Mounting Flexibility: Features a range of mounting holes to support motors, brackets, and custom components.
Application
C-Beam Gantry Plates are ideal for creating moving platforms in CNC machines, 3D printers, linear actuators, laser cutters, and other linear motion assemblies. Using lead screws this plate provides a stable, adjustable, and precise base. It is a flexible and reliable choice for a wide range of mechanical projects.











Nick Clarke (verified owner) –
Yet another high quality product from Ooznest, comes with all patrs required to complete..