Ooznest is now back open and despatch has resumed. Please bear with us while we work through the Christmas backlog.
There may be a short delay for any new orders placed.
Thank you for your patience, and Happy New Year from Ooznest!
Dismiss

Skip to content
  • Delivery Documentation Contact
  • About

  • Newsletter
    NEWSLETTER SIGNUP,   ONLY GOOD EMAILS,   WE PROMISE!
  • 3000+ TRUSTPILOT ★★★★★
    FREE UK MAINLAND SHIPPING OVER £100
    SAME DAY DISPATCH BEFORE 1PM
    WE SHIP WORLDWIDE
The No Fuss Extrusion System CompanyThe No Fuss Extrusion System Company
    • Aluminium Extrusion System
          • Aluminium Extrusion
            • 20 Series T/V-Slot Aluminium Extrusion
            • 30 Series T-Slot Aluminium Extrusion
            • 40 Series T-Slot Aluminium Extrusion
            • 45 Series T-Slot Aluminium Extrusion
            • MotionRail
          • Connectors
            • Corner Brackets
            • Universal Brackets
            • Cube Corner Brackets
            • Inner Link Connectors
            • Plate Connectors
            • Pivot Joints
          • Accessories
            • Door Accessories
            • Panel Accessories
            • Floor Accessories
            • Finishing Accessories
          • Linear Motion
            • Extrusion Gantries
            • Extrusion Wheels
            • Linear Shafts
            • Linear Bearings
          • Transmission
            • Transmission Mounts
            • Belt Drive Components
            • Screw Drive Components
          • Fasteners
            • Extrusion Nuts
            • Extrusion Bolts
            • Standard Nuts
            • Standard Screws
            • Self Tapping Screws
            • Washers
            • Aluminium Spacers
            • Precision Shims
            • Clamping Levers
            • Thread Reducers
          • Linear Actuators
            • NEMA23 C-Beam Screw Driven
            • NEMA17 Screw Driven
            • NEMA17 Belt Driven
            • NEMA17 Mini Belt Driven
            • Shop All >
    • System Control
          • Duet3D Electronics
            • Duet 3
            • Duet 2
          • uStepper Electronics
            • uStepper S32 Controller
            • uStepper S32 Shields
            • uStepper S32 Accessories
          • Stepper Motors
            • NEMA14 Stepper Motors
            • NEMA17 Stepper Motors
            • NEMA23 Stepper Motors
            • Stepper Motor Cables
          • Limit Switches
            • Micro Lever Limit Switches
            • Limit Switch Mounts
    • WorkBee
          • Configure Your WorkBee
            • Menu WorkBee Image
              Get Yours
          • WorkBee Accessories
            • WorkBee Accessory Bundles
            • WorkBee XYZ Touch Probe
            • WorkBee Enclosure
            • WorkBee Router Head Mounts
            • Router Heads
            • CAM Software
            • Dust Shoe
            • Drag Knives
          • WorkBee Conversion Kits
            • WorkBee Thrust Bearing Conversion Kits
            • WorkBee Screw Conversion Kits
          • WorkBee Replacements
            • WorkBee Replacement Controllers
            • WorkBee Replacement Power Supplies
            • WorkBee Replacement Lead Screws
            • WorkBee Replacement Limit Switches
            • WorkBee Replacement Stepper Motor Wires
            • WorkBee Replacement Drag Chains
          • CNC Machine Router Bits
            • General Purpose Router Bits
            • Decorative Router Bits
            • Wood Router Bits
            • Plastic Router Bits
            • Aluminium & Soft Metal Router Bits
            • Carbon Fibre & Composite Router Bits
            • Foam Router Bits
            • Router Bit Sets
    • Clearance
    • 3000+ TRUSTPILOT ★★★★★
      FREE UK MAINLAND SHIPPING OVER £100
    • Aluminium Extrusion System
      • Aluminium Extrusion
        • 20 Series T/V-Slot Aluminium Extrusion
        • 30 Series T-Slot Aluminium Extrusion
        • 40 Series T-Slot Aluminium Extrusion
        • 45 Series T-Slot Aluminium Extrusion
        • MotionRail
      • Connectors
        • Corner Brackets
        • Universal Brackets
        • Cube Corner Brackets
          • 2 Way Cube Corner Brackets
          • 3 Way Cube Corner Brackets
        • Inner Link Connectors
          • Butt Inner Link Connectors
          • Profile Inner Link Connectors
          • Angle Inner Link Connectors
          • Multiway Inner Link Connectors
        • Plate Connectors
          • 90 Degree Plate Connectors
          • 45 Degree Plate Connectors
          • T Plate Connectors
          • Cross Plate Connectors
          • 2 Hole Plate Connectors
          • 3 Hole Plate Connectors
          • 4 Hole Plate Connectors
          • 8 Hole Plate Connectors
        • Pivot Joints
          • Pivot Joints
          • Clamping Lever Pivot Joints
      • Accessories
        • Door Accessories
        • Panel Accessories
          • Panel Sealing Strips
          • Panel Brackets
          • Panel Washers
        • Floor Accessories
          • Foot Plates
          • Levelling Feet
        • Finishing Accessories
          • End Caps
          • Slot Covers
      • Linear Motion
        • Extrusion Gantries
          • V-Slot Gantry Plates
          • C-Beam Gantry Plates
          • MotionRail Gantry Plates
        • Extrusion Wheels
          • V-Slot Wheels
          • MotionRail Wheels
          • Wheel Accessories
        • Linear Shafts
          • Solid Linear Shafts
          • Chrome Plated Linear Shafts
          • Hollow Linear Shafts
        • Linear Bearings
          • Linear Bearings
          • Linear Housed Bearings
      • Transmission
        • Transmission Mounts
          • V-Slot Belt Drive Mounts
          • V-Slot Screw Drive Mounts
          • C-Beam Screw Drive Mounts
        • Belt Drive Components
          • Timing Belts
          • Timing Belt Pulleys
          • Timing Belt Idlers
            • Toothed Timing Belt Idlers
            • Smooth Timing Belt Idlers
        • Screw Drive Components
          • Lead Screws
          • Lead Screw Nuts
            • Flanged Nuts
            • Anti-backlash Flanged Nuts
            • Nut Blocks
            • Anti-backlash Nut Blocks
          • Bearings
            • Radial Bearings
            • Flanged Radial Bearings
            • Thrust Bearings
            • Bearing Accessories
          • Flexible Shaft Couplings
            • Helical Flexible Shaft Couplings
          • Rigid Shaft Couplings
          • Shaft Collars
            • Set Screw Shaft Collars
          • Handwheels
      • Fasteners
        • Extrusion Nuts
          • Drop In Nuts
          • Slide In Nuts
          • Flat Nuts
          • Spring Ball Loaded Nuts
          • Spring Leaf Loaded Nuts
          • Roll In Nuts
        • Extrusion Bolts
        • Standard Nuts
          • Hexagon Full Nuts
          • Nyloc Hexagon Nuts
          • Serrated Flanged Hexagon Nuts
        • Standard Screws
          • Machine Screws
            • Button Head Screws
            • Cap Head Screws
            • Countersunk Screws
            • Low Profile Screws
            • Grub Screws
        • Self Tapping Screws
          • General Purpose Self Tapping Screws
          • Plastic Self Tapping Screws
        • Washers
          • Form A Washers
          • Slot Washers
          • External Toothed Lock Washers
        • Aluminium Spacers
        • Precision Shims
        • Clamping Levers
        • Thread Reducers
      • Linear Actuators
        • NEMA23 C-Beam Screw Driven
        • NEMA17 Screw Driven
        • NEMA17 Belt Driven
        • NEMA17 Mini Belt Driven
        • Shop All >
    • System Control
      • Duet3D Electronics
        • Duet 3
          • Duet 3 Mainboards
            • Duet 3 Mainboard Replacements
          • Duet 3 Expansion Boards
          • Duet 3 Tool Boards
          • Duet 3 Accessories
        • Duet 2
          • Duet 2 Controllers
            • Duet 2 Controller Replacements
          • Duet 2 Expansion Boards
          • Duet 2 Accessories
      • uStepper Electronics
        • uStepper S32 Controller
        • uStepper S32 Shields
        • uStepper S32 Accessories
      • Stepper Motors
        • NEMA14 Stepper Motors
        • NEMA17 Stepper Motors
        • NEMA23 Stepper Motors
        • Stepper Motor Cables
      • Limit Switches
        • Micro Lever Limit Switches
        • Limit Switch Mounts
    • WorkBee CNC Machine
      • Configure Your WorkBee
      • WorkBee Accessories
        • WorkBee Accessory Bundles
        • WorkBee XYZ Touch Probe
        • WorkBee Enclosure
        • WorkBee Router Head Mounts
        • Router Heads
        • CAM Software
        • Dust Shoe
        • Drag Knives
      • WorkBee Conversion Kits
        • WorkBee Thrust Bearing Conversion Kits
        • WorkBee Screw Conversion Kits
      • WorkBee Replacements
        • WorkBee Replacement Controllers
        • WorkBee Replacement Power Supplies
        • WorkBee Replacement Lead Screws
        • WorkBee Replacement Limit Switches
        • WorkBee Replacement Stepper Motor Wires
        • WorkBee Replacement Drag Chains
      • CNC Machine Router Bits
        • General Purpose Router Bits
        • Decorative Router Bits
        • Wood Router Bits
        • Plastic Router Bits
        • Aluminium & Soft Metal Router Bits
        • Carbon Fibre & Composite Router Bits
        • Foam Router Bits
        • Router Bit Sets
    • Clearance
    • My Account
    • Ooznest
      • About
      • Help & Contact
      • Live Chat
      • Delivery Information
      • Documentation
  • Inc VATExc VAT
    • No products in the basket.

      Return to shop

  • Inc VATExc VAT
  • Basket

    No products in the basket.

    Return to shop

    • Aluminium Extrusion System
          • Aluminium Extrusion
            • 20 Series T/V-Slot Aluminium Extrusion
            • 30 Series T-Slot Aluminium Extrusion
            • 40 Series T-Slot Aluminium Extrusion
            • 45 Series T-Slot Aluminium Extrusion
            • MotionRail
          • Connectors
            • Corner Brackets
            • Universal Brackets
            • Cube Corner Brackets
            • Inner Link Connectors
            • Plate Connectors
            • Pivot Joints
          • Accessories
            • Door Accessories
            • Panel Accessories
            • Floor Accessories
            • Finishing Accessories
          • Linear Motion
            • Extrusion Gantries
            • Extrusion Wheels
            • Linear Shafts
            • Linear Bearings
          • Transmission
            • Transmission Mounts
            • Belt Drive Components
            • Screw Drive Components
          • Fasteners
            • Extrusion Nuts
            • Extrusion Bolts
            • Standard Nuts
            • Standard Screws
            • Self Tapping Screws
            • Washers
            • Aluminium Spacers
            • Precision Shims
            • Clamping Levers
            • Thread Reducers
          • Linear Actuators
            • NEMA23 C-Beam Screw Driven
            • NEMA17 Screw Driven
            • NEMA17 Belt Driven
            • NEMA17 Mini Belt Driven
            • Shop All >
    • System Control
          • Duet3D Electronics
            • Duet 3
            • Duet 2
          • uStepper Electronics
            • uStepper S32 Controller
            • uStepper S32 Shields
            • uStepper S32 Accessories
          • Stepper Motors
            • NEMA14 Stepper Motors
            • NEMA17 Stepper Motors
            • NEMA23 Stepper Motors
            • Stepper Motor Cables
          • Limit Switches
            • Micro Lever Limit Switches
            • Limit Switch Mounts
    • WorkBee
          • Configure Your WorkBee
            • Menu WorkBee Image
              Get Yours
          • WorkBee Accessories
            • WorkBee Accessory Bundles
            • WorkBee XYZ Touch Probe
            • WorkBee Enclosure
            • WorkBee Router Head Mounts
            • Router Heads
            • CAM Software
            • Dust Shoe
            • Drag Knives
          • WorkBee Conversion Kits
            • WorkBee Thrust Bearing Conversion Kits
            • WorkBee Screw Conversion Kits
          • WorkBee Replacements
            • WorkBee Replacement Controllers
            • WorkBee Replacement Power Supplies
            • WorkBee Replacement Lead Screws
            • WorkBee Replacement Limit Switches
            • WorkBee Replacement Stepper Motor Wires
            • WorkBee Replacement Drag Chains
          • CNC Machine Router Bits
            • General Purpose Router Bits
            • Decorative Router Bits
            • Wood Router Bits
            • Plastic Router Bits
            • Aluminium & Soft Metal Router Bits
            • Carbon Fibre & Composite Router Bits
            • Foam Router Bits
            • Router Bit Sets
    • Clearance
    • 3000+ TRUSTPILOT ★★★★★
      FREE UK MAINLAND SHIPPING OVER £100
    • Aluminium Extrusion System
      • Aluminium Extrusion
        • 20 Series T/V-Slot Aluminium Extrusion
        • 30 Series T-Slot Aluminium Extrusion
        • 40 Series T-Slot Aluminium Extrusion
        • 45 Series T-Slot Aluminium Extrusion
        • MotionRail
      • Connectors
        • Corner Brackets
        • Universal Brackets
        • Cube Corner Brackets
          • 2 Way Cube Corner Brackets
          • 3 Way Cube Corner Brackets
        • Inner Link Connectors
          • Butt Inner Link Connectors
          • Profile Inner Link Connectors
          • Angle Inner Link Connectors
          • Multiway Inner Link Connectors
        • Plate Connectors
          • 90 Degree Plate Connectors
          • 45 Degree Plate Connectors
          • T Plate Connectors
          • Cross Plate Connectors
          • 2 Hole Plate Connectors
          • 3 Hole Plate Connectors
          • 4 Hole Plate Connectors
          • 8 Hole Plate Connectors
        • Pivot Joints
          • Pivot Joints
          • Clamping Lever Pivot Joints
      • Accessories
        • Door Accessories
        • Panel Accessories
          • Panel Sealing Strips
          • Panel Brackets
          • Panel Washers
        • Floor Accessories
          • Foot Plates
          • Levelling Feet
        • Finishing Accessories
          • End Caps
          • Slot Covers
      • Linear Motion
        • Extrusion Gantries
          • V-Slot Gantry Plates
          • C-Beam Gantry Plates
          • MotionRail Gantry Plates
        • Extrusion Wheels
          • V-Slot Wheels
          • MotionRail Wheels
          • Wheel Accessories
        • Linear Shafts
          • Solid Linear Shafts
          • Chrome Plated Linear Shafts
          • Hollow Linear Shafts
        • Linear Bearings
          • Linear Bearings
          • Linear Housed Bearings
      • Transmission
        • Transmission Mounts
          • V-Slot Belt Drive Mounts
          • V-Slot Screw Drive Mounts
          • C-Beam Screw Drive Mounts
        • Belt Drive Components
          • Timing Belts
          • Timing Belt Pulleys
          • Timing Belt Idlers
            • Toothed Timing Belt Idlers
            • Smooth Timing Belt Idlers
        • Screw Drive Components
          • Lead Screws
          • Lead Screw Nuts
            • Flanged Nuts
            • Anti-backlash Flanged Nuts
            • Nut Blocks
            • Anti-backlash Nut Blocks
          • Bearings
            • Radial Bearings
            • Flanged Radial Bearings
            • Thrust Bearings
            • Bearing Accessories
          • Flexible Shaft Couplings
            • Helical Flexible Shaft Couplings
          • Rigid Shaft Couplings
          • Shaft Collars
            • Set Screw Shaft Collars
          • Handwheels
      • Fasteners
        • Extrusion Nuts
          • Drop In Nuts
          • Slide In Nuts
          • Flat Nuts
          • Spring Ball Loaded Nuts
          • Spring Leaf Loaded Nuts
          • Roll In Nuts
        • Extrusion Bolts
        • Standard Nuts
          • Hexagon Full Nuts
          • Nyloc Hexagon Nuts
          • Serrated Flanged Hexagon Nuts
        • Standard Screws
          • Machine Screws
            • Button Head Screws
            • Cap Head Screws
            • Countersunk Screws
            • Low Profile Screws
            • Grub Screws
        • Self Tapping Screws
          • General Purpose Self Tapping Screws
          • Plastic Self Tapping Screws
        • Washers
          • Form A Washers
          • Slot Washers
          • External Toothed Lock Washers
        • Aluminium Spacers
        • Precision Shims
        • Clamping Levers
        • Thread Reducers
      • Linear Actuators
        • NEMA23 C-Beam Screw Driven
        • NEMA17 Screw Driven
        • NEMA17 Belt Driven
        • NEMA17 Mini Belt Driven
        • Shop All >
    • System Control
      • Duet3D Electronics
        • Duet 3
          • Duet 3 Mainboards
            • Duet 3 Mainboard Replacements
          • Duet 3 Expansion Boards
          • Duet 3 Tool Boards
          • Duet 3 Accessories
        • Duet 2
          • Duet 2 Controllers
            • Duet 2 Controller Replacements
          • Duet 2 Expansion Boards
          • Duet 2 Accessories
      • uStepper Electronics
        • uStepper S32 Controller
        • uStepper S32 Shields
        • uStepper S32 Accessories
      • Stepper Motors
        • NEMA14 Stepper Motors
        • NEMA17 Stepper Motors
        • NEMA23 Stepper Motors
        • Stepper Motor Cables
      • Limit Switches
        • Micro Lever Limit Switches
        • Limit Switch Mounts
    • WorkBee CNC Machine
      • Configure Your WorkBee
      • WorkBee Accessories
        • WorkBee Accessory Bundles
        • WorkBee XYZ Touch Probe
        • WorkBee Enclosure
        • WorkBee Router Head Mounts
        • Router Heads
        • CAM Software
        • Dust Shoe
        • Drag Knives
      • WorkBee Conversion Kits
        • WorkBee Thrust Bearing Conversion Kits
        • WorkBee Screw Conversion Kits
      • WorkBee Replacements
        • WorkBee Replacement Controllers
        • WorkBee Replacement Power Supplies
        • WorkBee Replacement Lead Screws
        • WorkBee Replacement Limit Switches
        • WorkBee Replacement Stepper Motor Wires
        • WorkBee Replacement Drag Chains
      • CNC Machine Router Bits
        • General Purpose Router Bits
        • Decorative Router Bits
        • Wood Router Bits
        • Plastic Router Bits
        • Aluminium & Soft Metal Router Bits
        • Carbon Fibre & Composite Router Bits
        • Foam Router Bits
        • Router Bit Sets
    • Clearance
    • My Account
    • Ooznest
      • About
      • Help & Contact
      • Live Chat
      • Delivery Information
      • Documentation
Home / Aluminium Extrusion System / Page 4
Filter
Product categories
  • Aluminium Extrusion System (883)
    • Aluminium Extrusion (45)
    • Connectors (56)
    • Accessories (90)
    • Linear Motion (60)
    • Transmission (30)
    • Fasteners (600)
    • Linear Actuators (9)
  • System Control (67)
  • Self Build Solutions (330)
  • Seconds (12)
  • Clearance (157)
1 x Aluminium Extrusion Profile - T/V-Slot - 20 Series - 20x80mm - Black - Cut to SizeTechnical Drawing Of Aluminium Extrusion Profile - T/V-Slot - 20 Series - 20x80mm - Black - Cut to Size

Black 20x80mm 20 Series T/V-Slot Aluminium Extrusion Profile – Cut To Size

Rated 5.00 out of 5
(21) £0.0289 (Inc VAT)
Select options
1 x Aluminium Extrusion Profile - T/V-Slot - 20 Series - 20x80mm - Silver - Cut to SizeTechnical Drawing Of Aluminium Extrusion Profile - T/V-Slot - 20 Series - 20x80mm - Silver - Cut to Size

20x80mm 20 Series T/V-Slot Aluminium Extrusion Profile – Cut To Size

Rated 5.00 out of 5
(19) £0.0241 (Inc VAT)
Select options
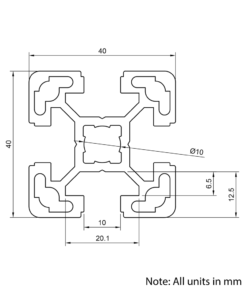
1 x Aluminium Extrusion Profile - T/V-Slot - 20 Series - 40x40mm - Black - Cut to SizeTechnical Drawing Of Aluminium Extrusion Profile - T/V-Slot - 20 Series - 40x40mm - Black - Cut to Size

Black 40x40mm 20 Series T/V-Slot Aluminium Extrusion Profile – Cut To Size

Rated 5.00 out of 5
(16) £0.0228 (Inc VAT)
Select options
1 x Aluminium Extrusion Profile - T/V-Slot - 20 Series - 40x40mm - Silver - Cut to SizeTechnical Drawing Of Aluminium Extrusion Profile - T/V-Slot - 20 Series - 40x40mm - Silver - Cut to Size

40x40mm 20 Series T/V-Slot Aluminium Extrusion Profile – Cut To Size

Rated 5.00 out of 5
(21) £0.0190 (Inc VAT)
Select options
1 x Aluminium Extrusion Profile - T/V-Slot - 20 Series - 40x80mm (C-Beam) - Black - Cut to SizeTechnical Drawing Of Aluminium Extrusion Profile - T/V-Slot - 20 Series - 40x80mm (C-Beam) - Black - Cut to Size

Black 40x80mm (C-Beam) 20 Series T/V-Slot Aluminium Extrusion Profile – Cut To Size

Rated 4.92 out of 5
(12) £0.0415 (Inc VAT)
Select options
1 x Aluminium Extrusion Profile - T/V-Slot - 20 Series - 40x80mm (C-Beam) - Silver - Cut to SizeTechnical Drawing Of Aluminium Extrusion Profile - T/V-Slot - 20 Series - 40x80mm (C-Beam) - Silver - Cut to Size

40x80mm (C-Beam) 20 Series T/V-Slot Aluminium Extrusion Profile – Cut To Size

Rated 4.68 out of 5
(22) £0.0346 (Inc VAT)
Select options
1 x Aluminium Extrusion Profile - Sample Pack - T/V-Slot - 20 Series - 20 SeriesV-Slot Aluminium Extrusion Assembly

20 Series T/V-Slot Aluminium Extrusion Profile Sample Pack

Rated 5.00 out of 5
(3) £5.45 (Inc VAT)
Add to basket
1 x Aluminium Extrusion Profile - T-Slot - 30x30mm - Silver - Cut to SizeTechnical Drawing Of Aluminium Extrusion Profile - T-Slot - 30x30mm - Silver - Cut to Size

30x30mm 30 Series T-Slot Aluminium Extrusion Profile – Cut To Size

0 out of 5
(0) £0.0106 (Inc VAT)
Select options
1 x Aluminium Extrusion Profile - T-Slot - 30x30mm - 1 Slot - Silver - Cut to SizeTechnical Drawing Of Aluminium Extrusion Profile - T-Slot - 30x30mm - 1 Slot - Silver - Cut to Size

1 Slot 30x30mm 30 Series T-Slot Aluminium Extrusion Profile – Cut To Size

0 out of 5
(0) £0.0150 (Inc VAT)
Select options
1 x Aluminium Extrusion Profile - T-Slot - 30x30mm - 2 Slot - Silver - Cut to SizeTechnical Drawing Of Aluminium Extrusion Profile - T-Slot - 30x30mm - 2 Slot - Silver - Cut to Size

2 Slot 30x30mm 30 Series T-Slot Aluminium Extrusion Profile – Cut To Size

0 out of 5
(0) £0.0143 (Inc VAT)
Select options
1 x Aluminium Extrusion Profile - T-Slot - 30x30mm - 2 Slot Corner - Silver - Cut to SizeTechnical Drawing Of Aluminium Extrusion Profile - T-Slot - 30x30mm - 2 Slot Corner - Silver - Cut to Size

2 Slot Corner 30x30mm 30 Series T-Slot Aluminium Extrusion Profile – Cut To Size

0 out of 5
(0) £0.0143 (Inc VAT)
Select options
1 x Aluminium Extrusion Profile - T-Slot - 30x30mm - 3 Slot - Silver - Cut to SizeTechnical Drawing Of Aluminium Extrusion Profile - T-Slot - 30x30mm - 3 Slot - Silver - Cut to Size

3 Slot 30x30mm 30 Series T-Slot Aluminium Extrusion Profile – Cut To Size

0 out of 5
(0) £0.0134 (Inc VAT)
Select options
1 x Aluminium Extrusion Profile - T-Slot - 30x30mm - 90 Degree Radius - Silver - Cut to SizeTechnical Drawing Of Aluminium Extrusion Profile - T-Slot - 30x30mm - 90 Degree Radius - Silver - Cut to Size

Radius 30x30mm 30 Series T-Slot Aluminium Extrusion Profile – Cut To Size

0 out of 5
(0) £0.0118 (Inc VAT)
Select options
1 x Aluminium Extrusion Profile - T-Slot - 30x60mm - Silver - Cut to SizeTechnical Drawing Of Aluminium Extrusion Profile - T-Slot - 30x60mm - Silver - Cut to Size

30x60mm 30 Series T-Slot Aluminium Extrusion Profile – Cut To Size

0 out of 5
(0) £0.0223 (Inc VAT)
Select options
1 x Aluminium Extrusion Profile - T-Slot - 30x90mm - Silver - Cut to SizeTechnical Drawing Of Aluminium Extrusion Profile - T-Slot - 30x90mm - Silver - Cut to Size

30x90mm 30 Series T-Slot Aluminium Extrusion Profile – Cut To Size

0 out of 5
(0) £0.0320 (Inc VAT)
Select options
1 x Aluminium Extrusion Profile - T-Slot - 30x120mm - Silver - Cut to SizeTechnical Drawing Of Aluminium Extrusion Profile - T-Slot - 30x120mm - Silver - Cut to Size

30x120mm 30 Series T-Slot Aluminium Extrusion Profile – Cut To Size

0 out of 5
(0) £0.0401 (Inc VAT)
Select options
1 x Aluminium Extrusion Profile - T-Slot - 60x60mm - Silver - Cut to SizeTechnical Drawing Of Aluminium Extrusion Profile - T-Slot - 60x60mm - Silver - Cut to Size

60x60mm 30 Series T-Slot Aluminium Extrusion Profile – Cut To Size

0 out of 5
(0) £0.0395 (Inc VAT)
Select options
1 x Aluminium Extrusion Profile - T-Slot - 60x60mm (L-Beam) - Silver - Cut to SizeTechnical Drawing Of Aluminium Extrusion Profile - T-Slot - 60x60mm (L-Beam) - Silver - Cut to Size

60x60mm (L-Beam) 30 Series T-Slot Aluminium Extrusion Profile – Cut To Size

0 out of 5
(0) £0.0331 (Inc VAT)
Select options
1 x Aluminium Extrusion Profile - T-Slot - 40x40mm - Silver - Cut to SizeTechnical Drawing Of Aluminium Extrusion Profile - T-Slot - 40x40mm - Silver - Cut to Size

40x40mm 40 Series T-Slot Aluminium Extrusion Profile – Cut To Size

0 out of 5
(0) £0.0187 (Inc VAT)
Select options
1 x Aluminium Extrusion Profile - T-Slot - 40x40mm - 1 Slot - Silver - Cut to SizeTechnical Drawing Of Aluminium Extrusion Profile - T-Slot - 40x40mm - 1 Slot - Silver - Cut to Size

1 Slot 40x40mm 40 Series T-Slot Aluminium Extrusion Profile – Cut To Size

0 out of 5
(0) £0.0247 (Inc VAT)
Select options
  • 1
  • 2
  • 3
  • 4
  • 5
  • 6
  • 7
  • …
  • 43
  • 44
  • 45
   GET CONNECTED
NEWSLETTER SIGNUP,   ONLY GOOD EMAILS,   WE PROMISE!

OOZNEST

About Us
Press

CUSTOMER SERVICE

Help & Contact
Delivery Information
Returns
Warranty

INFORMATION

Terms and Conditions
Privacy & Cookie Policies
Site Map
Join Ooznest

RATED EXCELLENT

★★★★★

From thousands of reviews on Trustpilot

OOZNEST

About Us
Press
Blog

CUSTOMER SERVICE

Help & Contact
Delivery Information
Returns
Warranty

INFORMATION

Terms and Conditions
Privacy & Cookie Policies
Site Map
Join Ooznest

RATED EXCELLENT

★★★★★

From thousands of reviews on Trustpilot

Copyright 2026 © Ooznest Limited

    • Aluminium Extrusion System
          • Aluminium Extrusion
            • 20 Series T/V-Slot Aluminium Extrusion
            • 30 Series T-Slot Aluminium Extrusion
            • 40 Series T-Slot Aluminium Extrusion
            • 45 Series T-Slot Aluminium Extrusion
            • MotionRail
          • Connectors
            • Corner Brackets
            • Universal Brackets
            • Cube Corner Brackets
            • Inner Link Connectors
            • Plate Connectors
            • Pivot Joints
          • Accessories
            • Door Accessories
            • Panel Accessories
            • Floor Accessories
            • Finishing Accessories
          • Linear Motion
            • Extrusion Gantries
            • Extrusion Wheels
            • Linear Shafts
            • Linear Bearings
          • Transmission
            • Transmission Mounts
            • Belt Drive Components
            • Screw Drive Components
          • Fasteners
            • Extrusion Nuts
            • Extrusion Bolts
            • Standard Nuts
            • Standard Screws
            • Self Tapping Screws
            • Washers
            • Aluminium Spacers
            • Precision Shims
            • Clamping Levers
            • Thread Reducers
          • Linear Actuators
            • NEMA23 C-Beam Screw Driven
            • NEMA17 Screw Driven
            • NEMA17 Belt Driven
            • NEMA17 Mini Belt Driven
            • Shop All >
    • System Control
          • Duet3D Electronics
            • Duet 3
            • Duet 2
          • uStepper Electronics
            • uStepper S32 Controller
            • uStepper S32 Shields
            • uStepper S32 Accessories
          • Stepper Motors
            • NEMA14 Stepper Motors
            • NEMA17 Stepper Motors
            • NEMA23 Stepper Motors
            • Stepper Motor Cables
          • Limit Switches
            • Micro Lever Limit Switches
            • Limit Switch Mounts
    • WorkBee
          • Configure Your WorkBee
            • Menu WorkBee Image
              Get Yours
          • WorkBee Accessories
            • WorkBee Accessory Bundles
            • WorkBee XYZ Touch Probe
            • WorkBee Enclosure
            • WorkBee Router Head Mounts
            • Router Heads
            • CAM Software
            • Dust Shoe
            • Drag Knives
          • WorkBee Conversion Kits
            • WorkBee Thrust Bearing Conversion Kits
            • WorkBee Screw Conversion Kits
          • WorkBee Replacements
            • WorkBee Replacement Controllers
            • WorkBee Replacement Power Supplies
            • WorkBee Replacement Lead Screws
            • WorkBee Replacement Limit Switches
            • WorkBee Replacement Stepper Motor Wires
            • WorkBee Replacement Drag Chains
          • CNC Machine Router Bits
            • General Purpose Router Bits
            • Decorative Router Bits
            • Wood Router Bits
            • Plastic Router Bits
            • Aluminium & Soft Metal Router Bits
            • Carbon Fibre & Composite Router Bits
            • Foam Router Bits
            • Router Bit Sets
    • Clearance
    • 3000+ TRUSTPILOT ★★★★★
      FREE UK MAINLAND SHIPPING OVER £100
    • Aluminium Extrusion System
      • Aluminium Extrusion
        • 20 Series T/V-Slot Aluminium Extrusion
        • 30 Series T-Slot Aluminium Extrusion
        • 40 Series T-Slot Aluminium Extrusion
        • 45 Series T-Slot Aluminium Extrusion
        • MotionRail
      • Connectors
        • Corner Brackets
        • Universal Brackets
        • Cube Corner Brackets
          • 2 Way Cube Corner Brackets
          • 3 Way Cube Corner Brackets
        • Inner Link Connectors
          • Butt Inner Link Connectors
          • Profile Inner Link Connectors
          • Angle Inner Link Connectors
          • Multiway Inner Link Connectors
        • Plate Connectors
          • 90 Degree Plate Connectors
          • 45 Degree Plate Connectors
          • T Plate Connectors
          • Cross Plate Connectors
          • 2 Hole Plate Connectors
          • 3 Hole Plate Connectors
          • 4 Hole Plate Connectors
          • 8 Hole Plate Connectors
        • Pivot Joints
          • Pivot Joints
          • Clamping Lever Pivot Joints
      • Accessories
        • Door Accessories
        • Panel Accessories
          • Panel Sealing Strips
          • Panel Brackets
          • Panel Washers
        • Floor Accessories
          • Foot Plates
          • Levelling Feet
        • Finishing Accessories
          • End Caps
          • Slot Covers
      • Linear Motion
        • Extrusion Gantries
          • V-Slot Gantry Plates
          • C-Beam Gantry Plates
          • MotionRail Gantry Plates
        • Extrusion Wheels
          • V-Slot Wheels
          • MotionRail Wheels
          • Wheel Accessories
        • Linear Shafts
          • Solid Linear Shafts
          • Chrome Plated Linear Shafts
          • Hollow Linear Shafts
        • Linear Bearings
          • Linear Bearings
          • Linear Housed Bearings
      • Transmission
        • Transmission Mounts
          • V-Slot Belt Drive Mounts
          • V-Slot Screw Drive Mounts
          • C-Beam Screw Drive Mounts
        • Belt Drive Components
          • Timing Belts
          • Timing Belt Pulleys
          • Timing Belt Idlers
            • Toothed Timing Belt Idlers
            • Smooth Timing Belt Idlers
        • Screw Drive Components
          • Lead Screws
          • Lead Screw Nuts
            • Flanged Nuts
            • Anti-backlash Flanged Nuts
            • Nut Blocks
            • Anti-backlash Nut Blocks
          • Bearings
            • Radial Bearings
            • Flanged Radial Bearings
            • Thrust Bearings
            • Bearing Accessories
          • Flexible Shaft Couplings
            • Helical Flexible Shaft Couplings
          • Rigid Shaft Couplings
          • Shaft Collars
            • Set Screw Shaft Collars
          • Handwheels
      • Fasteners
        • Extrusion Nuts
          • Drop In Nuts
          • Slide In Nuts
          • Flat Nuts
          • Spring Ball Loaded Nuts
          • Spring Leaf Loaded Nuts
          • Roll In Nuts
        • Extrusion Bolts
        • Standard Nuts
          • Hexagon Full Nuts
          • Nyloc Hexagon Nuts
          • Serrated Flanged Hexagon Nuts
        • Standard Screws
          • Machine Screws
            • Button Head Screws
            • Cap Head Screws
            • Countersunk Screws
            • Low Profile Screws
            • Grub Screws
        • Self Tapping Screws
          • General Purpose Self Tapping Screws
          • Plastic Self Tapping Screws
        • Washers
          • Form A Washers
          • Slot Washers
          • External Toothed Lock Washers
        • Aluminium Spacers
        • Precision Shims
        • Clamping Levers
        • Thread Reducers
      • Linear Actuators
        • NEMA23 C-Beam Screw Driven
        • NEMA17 Screw Driven
        • NEMA17 Belt Driven
        • NEMA17 Mini Belt Driven
        • Shop All >
    • System Control
      • Duet3D Electronics
        • Duet 3
          • Duet 3 Mainboards
            • Duet 3 Mainboard Replacements
          • Duet 3 Expansion Boards
          • Duet 3 Tool Boards
          • Duet 3 Accessories
        • Duet 2
          • Duet 2 Controllers
            • Duet 2 Controller Replacements
          • Duet 2 Expansion Boards
          • Duet 2 Accessories
      • uStepper Electronics
        • uStepper S32 Controller
        • uStepper S32 Shields
        • uStepper S32 Accessories
      • Stepper Motors
        • NEMA14 Stepper Motors
        • NEMA17 Stepper Motors
        • NEMA23 Stepper Motors
        • Stepper Motor Cables
      • Limit Switches
        • Micro Lever Limit Switches
        • Limit Switch Mounts
    • WorkBee CNC Machine
      • Configure Your WorkBee
      • WorkBee Accessories
        • WorkBee Accessory Bundles
        • WorkBee XYZ Touch Probe
        • WorkBee Enclosure
        • WorkBee Router Head Mounts
        • Router Heads
        • CAM Software
        • Dust Shoe
        • Drag Knives
      • WorkBee Conversion Kits
        • WorkBee Thrust Bearing Conversion Kits
        • WorkBee Screw Conversion Kits
      • WorkBee Replacements
        • WorkBee Replacement Controllers
        • WorkBee Replacement Power Supplies
        • WorkBee Replacement Lead Screws
        • WorkBee Replacement Limit Switches
        • WorkBee Replacement Stepper Motor Wires
        • WorkBee Replacement Drag Chains
      • CNC Machine Router Bits
        • General Purpose Router Bits
        • Decorative Router Bits
        • Wood Router Bits
        • Plastic Router Bits
        • Aluminium & Soft Metal Router Bits
        • Carbon Fibre & Composite Router Bits
        • Foam Router Bits
        • Router Bit Sets
    • Clearance
    • My Account
    • Ooznest
      • About
      • Help & Contact
      • Live Chat
      • Delivery Information
      • Documentation
  • Login

Save your basket?

x
We save your email and basket so we can send you reminders - don't email me.

Login

Lost your password?

Register

Your personal data will be used to support your experience throughout this website, to manage access to your account, and for other purposes described in our Privacy & Cookies Policies.

Your personal data will be used to support your experience throughout this website, to manage access to your account, and for other purposes described in our privacy policy.