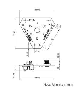
Ethernet Duet 2 Controller is a powerful standalone motion control board in the Duet3D range, designed for aluminium extrusion systems and other advanced motion control applications. Unlike the Duet 3 family, it does not support CAN-FD expansion boards or SBC connectivity, but instead provides everything you need for basic machinery in one complete package.
The board includes 5 integrated stepper drivers, high-current outputs, PWM outputs, and a range of I/O options. With Ethernet networking built in, it can be easily accessed and controlled from a computer or local network without requiring additional hardware.
Although originally developed with 3D printing in mind, the Duet 2 Controller is highly adaptable, making it suitable for any application requiring precise and reliable motion control
Key Features
- Powerful Processing: ARM Cortex-M4F microcontroller for fast, reliable performance.
- Network Connectivity: Ethernet interface for reliable communication and control.
- High-Performance Drivers: 5x TMC2660 stepper drivers with advanced motion control features.
- Comprehensive I/O: Multiple PWM outputs and configurable I/O pins for wide application use.
- Proven Reliability: A well-established controller ideal for basic multi-axis systems.
RepRapFirmware
RepRapFirmware is a powerful and flexible firmware designed to run on 32-bit ARM controllers. Configuration is handled entirely through human-readable G-code files stored on the SD card, no recompilation required. The firmware supports hundreds of G-code commands, detailed here: https://docs.duet3d.com/User_manual/Reference/Gcodes
Key capabilities include:
- An object model of machine configuration and state, enabling dynamic access to a wide variety of values.
- Conditional and looping G-code for advanced automation.
- Compatibility with all common kinematics, plus the ability to define custom kinematics.
RepRapFirmware is paired with Duet Web Control (DWC), a full-featured, browser-based interface for configuration and machine management. DWC adapts to your machine setup, providing intuitive access to controls, monitoring, and job management. Users can also extend functionality with custom third-party plugins, making it easy to tailor the interface to specific requirements.




Client (verified owner) –
Easy to install and to use
JMJ (verified owner) –
Bought as replacement after the a mains spike (large) fried the first. Easy to set up and works well.
Petethechippy (verified owner) –
My original controller broke so this is a replacement
Brian Arrowsmith (verified owner) –
Ooznest shipped quickly the Duet 2 was in use on day it was delivered. As with other products I wish I could have picked a quicker delivery method.
Paul (verified owner) –
Brilliant board, my reason for dropping a star on VFM is that the Ethernet is more expensive than the WiFi variant. Honestly would of thought the WiFi variant with its parts would cost more.
A. Necker (verified owner) –
Top of the Pops for 3D printer controll with much features.
Much better than the standard Ulticontroller of my Ultimaker 2.
Massimiliano S. (verified owner) –
Fourth duet board purchased for 3D printers. In my opinion the best card on the market at acceptable prices. The previous ones, even if they were from the old generation, were already excellent. I believe this will be even better (if possible).
I recommend buying the duet, it’s a great product.